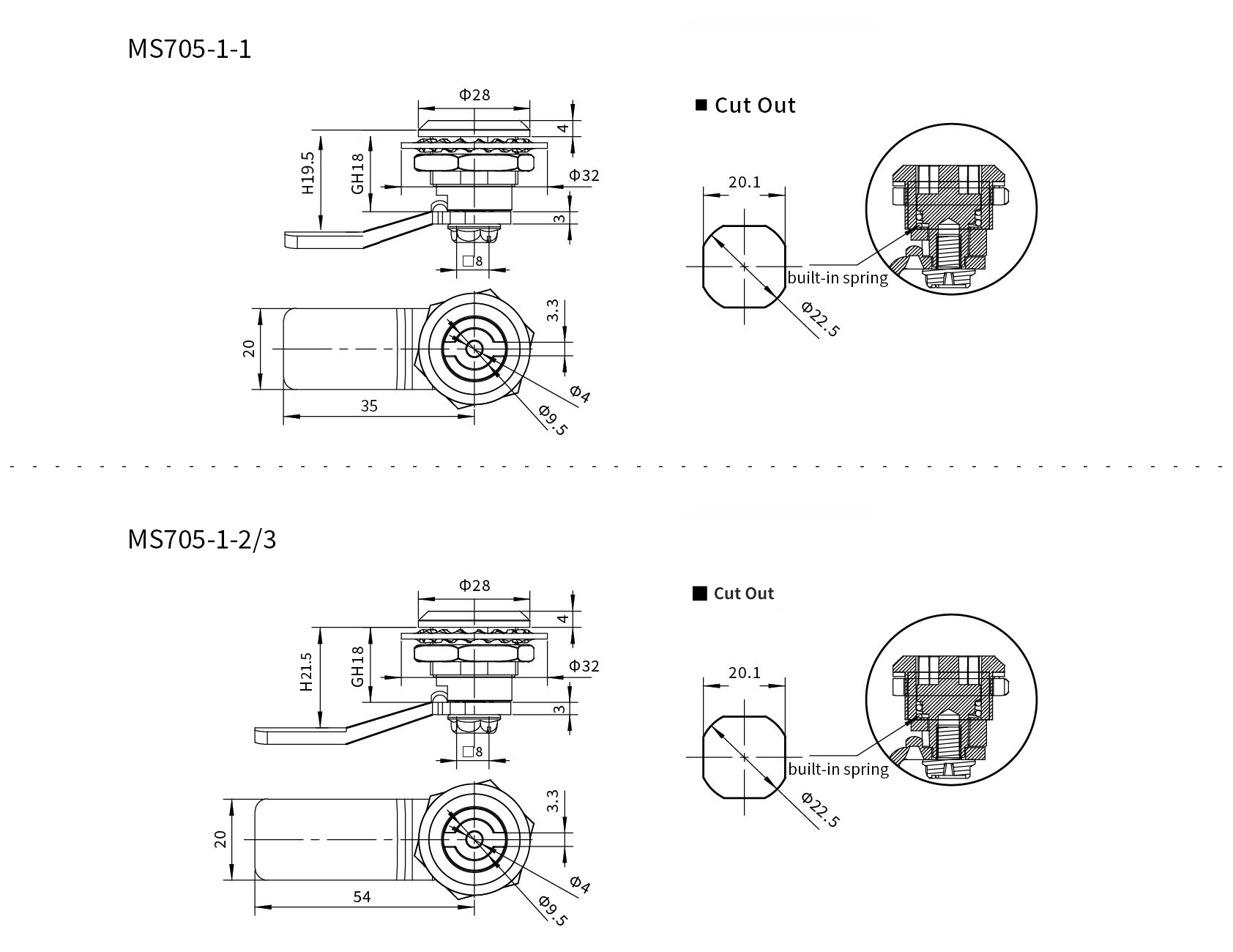
Features
● Material:Zinc die-casting body,nut, Zinc plating cam、fixing parts
● Finish: Bright chrome plating
● Panel thickness:1~5m
● Remark:cam cutout □8X8











02.jpg)