Home
中文
|
English
My lists
|
Login
or
Register
䏿
English
Product Center
New Products
Handles
Locks
Hinges
Gaskets
Accessories
Stainless Steel Products
About Us
Company
History
Superiorities
Glories
News Center
Catalogues
Download
Paper Catalogue
Service and Support
Code Description
About IP Level
Surface Treatment
Icon Description
Connecting Rod Installation Diagram
Grip Distance Instructions
Left And Right Door Opening Sign
Contact Us
E-Store
www.essentrahengzhu.com
MAKING IT EASIER
Your location:
Home
>
Product
>
Hinges
> HL068
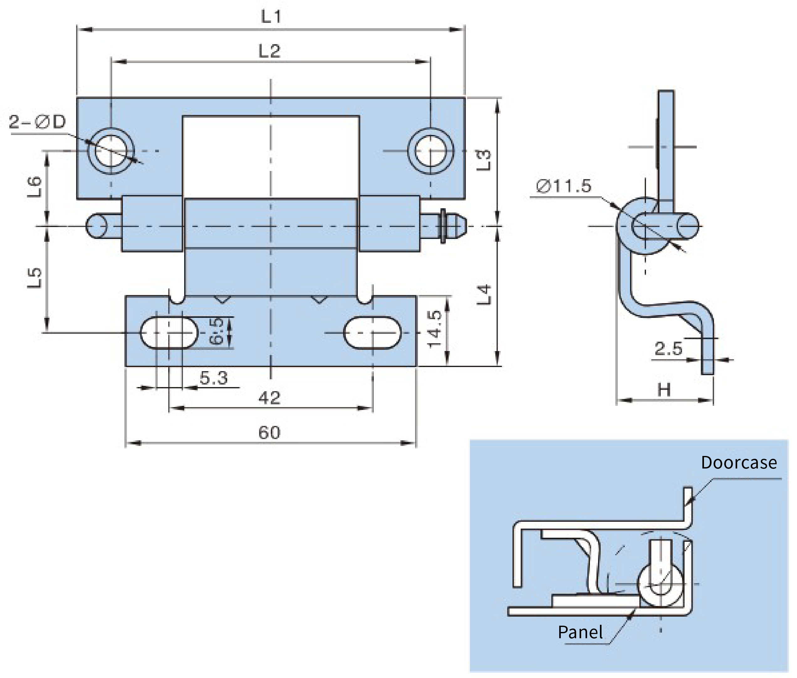
HL068
[Icon Specification]
Features
● Material:Zinc plating steel hinge
● Finish: white zinc plating
● Remark:120°hinge
Material
● A3
Finish
● Electroplate
More Products
Product Details
Specifications
Download